颁布功夫:2021-05-31点击:3533
提要:为实现H65黄铜合金陆续挤压的数值仿照和合理造订其热成形工艺参数,选取Gleeble-1500热仿照尝试机对该资料在热变形前提下的流变应力特点进行了钻研。了局批注,在尝试领域内, H65黄铜合金热压缩变形时发生显著的动态再结晶;用Arrhenius方程的指数大局能较好地描述H65黄铜合金高温变形时的流变应力行为;分区间求得热变形激活能Q,并分段成立了H65黄铜合金的本构方程。
关键词: H65黄铜合金;流变应力;本构方程;热仿照机;陆续挤压
中图分类号: TG146. 1+ 1; TG113. 25 文件标识码: A 文章编号: 1007-2012(2008) 06-0113-05
引言
目前,在国内有色金属加工行业,大无数厂家选取水平连铸法出产黄铜杆。而选取陆续挤压步骤出产黄铜线材相对很少。陆续挤压步骤工艺单一,既能节俭能耗,降低成本,又能一次性成形,这些的利益使得它在黄铜线的出产中蕴藏巨大的潜力。但由于黄铜合金变形温度高、变形抗力大、高温氧化性强,黄铜合金陆续挤压技术在塑性变形机理、工艺参数等方面还有待进一步钻研.
金属热变形流变应力是资料在高温下的根基机能之一,不仅受变形温度、变形水平、应变速度及合金化学成分的影响,也是变形体内部显微组织演变的综合反映。无论在造订合理的热加工工艺方面,还是在以塑性有限元为代表的现代塑性加工力学中,其精确的流变应力数值或表白式是提高理论推算精度的关键,因而,近年国内表在这方面的钻研极度活跃[1-5]。张红钢等[6]对KFC铜合金热压缩变形流
变应力进行了分析;周晓华,柳瑞清[7]对高温下的几种铜合金流变应力也进行了钻研,但对于H65黄铜合金流变应力的钻研甚少。
本文选取Gleeble-1500热仿照机,结合陆续挤压工艺,造订工艺规划。在变形温度为100℃ ~800℃和应变速度为0. 01s- 1~ 1s- 1的变形前提下,对H65黄铜合金进行了等温热压缩尝试,通过对黄铜合金热压缩变形流变应力与变形水平、应变速度以及变形温度之间关系的分析,成立其本构方程,为合理造订黄铜合金热变形工艺提供参考,以及为有限元数值仿照进一步分析,提供正确数据或数学模型。
1.尝试步骤
选取Gleeble-1500热仿照尝试机进行圆柱体等温压缩尝试。试样为Ф7mm× 13mm的圆柱体;压缩温度为100℃~ 800℃;由陆续挤压轮转速确定应变速度为0. 01s- 1~ 1. 0s- 1;总压缩应变量为0. 5。热仿照尝试的升温速度为200℃/min,保温功夫为3min。具体尝试规划为,温度100℃ ~ 800℃,温度距离100℃,应变速度别离为0. 01s- 1、0. 10s- 1和1. 0s- 1。H65黄铜合金的化学成分如表1。

2.了局与分析
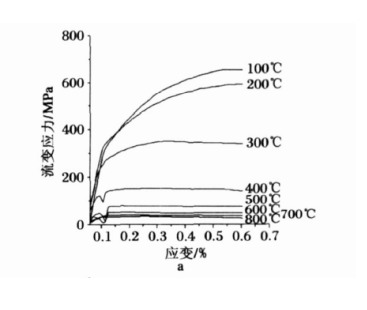
图1所示为H65黄铜合金在变形温度为100℃~ 800℃ 、应变速度为0. 01s- 1~ 1. 0s- 1热压缩前提下贱变应力曲线。
1)由图1可知, H65黄铜合金的流变应力随试样的变形水平的变动而出现出分歧的变动趋向。H65黄铜合金在低温时(100℃、200℃)较脆,所以在应变速度较大(0. 1s- 1、1. 0s- 1)时,试样出现断裂景象。其断口描摹如图2所示,其断口没有观察到显著的韧窝,而出现纤维组织,且压缩时沿出现纤维组织处出现裂缝,证明H65黄铜低温时韧性差易断裂。
在压缩变形初期,资料的流变应力随应变量的增长而迅速增长,呈加工硬化趋向,尤其是在变形温度较低(300℃)时,流变应力始终呈显著上升趋向;而后随应变量的持续增大,由于再结晶产生软化效应,此时流变应力趋于平缓甚至呈降落趋向,但降落不显著,即软化不显著。
2)在恒定的应变速度下,流变应力随变形温度的升高而减幼,而在统一应变速度的较高温度(400℃ ~ 600℃)时,流变应力曲线出现峰值,而后又趋于平缓。这是由于在统一变形前提下,随着形变的增长产生加工硬化,超过某一形变量后发活泼态再结晶软化,当软化速度与硬化速度平衡时,流变应力达到***大值;随后随着动态再结晶的进行,软化速度大于硬化速度,应力逐步降落;当发生完



全动态再结晶后,其晶粒组织和流变应力不随形变量变动,即进入稳态变形阶段[8]。当温度为700℃~ 800℃时,流变应力曲线趋于平缓未出现峰值。这是由于随着温度的增长,黄铜合金金属原子动能增长,原子振动幅度增长,使得更多位错被激活,滑移系增多,从而改善了黄铜合金晶粒的相互协调性,使得资料塑性增长,合金强度降低[9]。
3)当应变速度较低( 0. 01s- 1)、形变量较幼时,资料出现瞬间的屈服,软化较显著,随后随着形变量的增大,加工硬化占主导职位,使得其流变应力增大,这种情况只发生在应变速度较幼时,这注明流变软化在较大的应变速度下,没有足够的功夫发生充分的软化;而在应变速度较低时,资料在成形过程中有充分的功夫进行再结晶。

3.本构方程的成立
3. 1应变速度对流变应力的影响
从图3中看出,随应变速度的升高,合金的稳态流变应力增大,但并不是成比例增大。金属资料热变形过程中,在职何应变或稳态下的高温流变应力强烈地取决于变形温度T和应变速度,通常选取分歧的数学模型———本构方程来描述H65黄铜合金的高温变形是一个热激活过程,满足Arrhenius关系[10-11]:
﹒ε= Aσ n·exp- QRT(1)
式钟住A, n———均为与温度无关的常数
Q———热激活能,反映资料热变形的难易水平,是资料在热变形过程中重要的力学机能参数
T———绝对温度
R———气体常数
ε———应变速度
大量钻研批注,式(1)能较好地描述铜合金通例的热加工变形,如压缩、旋转、挤压等[12]。所以将式
(1)双方取对数整顿得
lnσ= mln﹒ε+ mQRT- ln A (2)式钟住m———应变速度敏感指数, m= 1/ n,

令B= mQRT- ln A ,当T一按时,得m= lnσ ln﹒εT
(3)由于其应力应变曲线400℃ ~ 600℃出现峰值,而700℃ ~ 800℃趋于水平,所以400℃ ~ 600℃时流变应力取其峰值应力, 700℃ ~ 800℃时取其稳态应力;将分歧变形温度下黄铜合金变形时的流变应力和应变速度值代人式(3),绘造相应的ln﹒ε-lnσ关系曲线,如图4所示。图4批注, H65黄铜合金高温变形稳态流变应力和应变速度的对数关系满足线性关系。通过线性回归,求出m和B值,由图5可见,随温度的升高, m值减幼,批注合金的变形抗力对应变速度的敏感水平减幼。

为提高H65黄铜合金有限元仿照的正确性,故分段求得温度400℃ ~ 600℃时斜率的均匀值m=0. 143, n= 6. 993, 700℃ ~ 800℃时的m= 0. 0653,n= 15. 314;且求得每条直线的回归有关系数在所有温度下均超过0. 99。由此能够以为, H65黄铜合金在高温压缩变形时的流变应力-应变速度关系满足指数关系的大局。
3. 2温度对流变应力的影响
温度的变动直接影响流变应力的大幼(见图3)。温度的变动还可能使合金在变形时发活泼态再结晶和动态回复等组织变动。由式(1)得
lnσ=QnRT+ln﹒εn-ln An(4)图
式(4)批注lnσ和1/ T之间的线性关系。lnσ-1/T的曲线如图6所示,分析批注,在分歧的温度区间,曲线拥有分歧的斜率,这与文件[13-14]中的了局有所分歧;线性回归别离求得lnσ和1/ T斜率的均匀值为, 400℃ ~ 600℃时k= 3290, 700℃ ~800℃时k= 2810,在恒应变速度前提下变形时,假定肯定温度领域内热激活能Q维持不变,则热激活能Q由下式求得
Q= nR lnσ 1/ T﹒ε(5)


4.金相组织观察
经推算,在分歧的温度区间得到分歧的变形激活能,这与高温变形时α相和β相的相对含量的变动有关。图7为分歧变形温度的金相组织,能够观察到H65黄铜400℃起头发活泼态再结晶, 600℃时动态再结晶实现,发活泼态再结晶后,晶粒得到细化,能够看到显著的晶界(见图7a、图7b)。当温度达到700℃时,组织描摹显著分歧,起头从陈相中析出针状α相(见图7c),随着温度的持续升高,α相含量增大并以针状均匀散布(见图7d)。表此刻曲线上的特点为, 400℃ ~ 600℃先出现峰值再趋于安稳,而700℃ ~ 800℃未出现显著峰值,曲线趋于水平且流变应力值减幼。这合理地诠氏缢分歧温度区间拥有分歧的变形激活能的理论。同时,也充分证了然分段成立本构方程的合理性与正确性。分段成立的资料模型提高了有限元仿照的精度.
5.结论
1)在恒定的应变速度下,流变应力随变形温度的升高而减幼,而在统一应变速度的较高温度
(400℃ ~ 600℃)时,真应力-应变曲线拥有显著的峰值,温度高于700℃时,真应力-应变曲线趋于水平,变形机造为动态再结晶软化。
2)用Arrhenius方程的指数大局能较好地描述H65黄铜合金高温变形时的流变应力行为,回归有关系数在所有温度下均超过0. 99。
3)应力敏感指数随温度的升高而减幼,在分歧的温度区间得到分歧的变形激活能,在400℃ ~



600℃时Q= 191188J/mol,在700℃ ~ 800℃时Q=357599J/mol。激活能的大幼与α相和β相的相对含量的变动有关。
起源:中国知网 作者:王延辉
免责申明:本站部门图片和文字起源于网络网络整顿,仅供进建互换,版权归原作者所有,并不代表我站概想。本站将不承担任何司法责任,若是有加害到您的权势,请实时联系凯发一触即发删除。